欢迎访问深圳市英思凯科技有限公司官网!
24小时全国服务热线0755-32997610

产品中心

联系我们

电话:0755-32997610

手机:13798567355

邮箱:fc_lzg@163.com

地址:深圳市宝安区71区志翔大厦428

晶振系列

当前位置:网站首页-产品中心-晶振系列
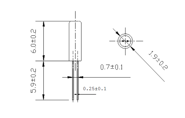
无源晶振 (Y206)
  • 无源晶振 (Y206)

无源晶振 (Y206)

尺寸:2.0x6.0mm

频率:32.768KHZ

负载:20PF     or specify

频差:±20PPM   or specify

温度:-20-70℃  or specify

产品咨询

产品详情

尺寸详情.png